Главная
О компании
Статьи
Новости
Гарантии
Дистрибуция
Оплата и доставка
Контакты
+7(495)790-60-07
info@eltris.ru
Каталог товаров
Каталог товаров
Каталог товаров
Вентиляторы
Все - Вентиляторы
Просмотреть
Компактные
Осевые
Радиальные
Тангенциальные
Центробежные
Промышленные
Аксиальные
Автомобильные
Вентиляторы Krubo
Радиальные
Улитка
Аналоги вентиляторов EbmPapst
Больше Вентиляторы
→
Автоматизация
Все - Автоматизация
Просмотреть
Анализаторы параметров сети
Контроллеры
Преобразователи частоты
Устройства плавного пуска
Предохранители
Все - Предохранители
Просмотреть
Аксессуары и принадлежности для предохранителей
Аксессуары для высоковольтных предохранителей
Аксессуары для быстродействующих предохраниетелей
Аксессуары для миниатюрных предохранителей
Аксессуары для низковольтных предохраниетелей
Аксессуары и принадлежности для предохранителей
Аксессуары для быстродействующих предохраниетелей
Быстродействующие предохранители
Предохранители британского стандарта BS88
Предохранители в прямоугольном корпусе
Предохранители североамериканского стандарта
Предохранители специального назначения
Высоковольтные предохранители
Миниатюрные предохранители
Низковольтные предохранители
Предохранители североамериканского стандарта
Быстродействующие предохранители Cfriend
Аналоги предохранителей Bussmann
Распределительные щиты и шкафы
Все - Распределительные щиты и шкафы
Просмотреть
Аксессуары и комплектующие для распределительных щитов и шкафов
Аксессуары для металлических щитов и шкафов
Аксессуары для пластиковых щитов и шкафов
Клеммы винтовые
Клеммы пружинные
Компоненты системы сборных шин
Маркировочные пластины и наклейки
Металлические щиты и шкафы
Пластиковые щиты и шкафы
Контакторы
Все - Контакторы
Просмотреть
Аксессуары для контакторов
Импульсные контакторы
Модульные контакторы
Силовые контакторы
Тепловое реле
Ограничители
Все - Ограничители
Просмотреть
Ограничители перенапряжения
Ограничители тока
Релейное оборудование
Все - Релейное оборудование
Просмотреть
Аксессуары и комплектующие для реле
Блоки питания
Импульсное реле
Модульные реле
Реле времени
Реле контроля напряжения
Реле контроля тока
Реле контроля фаз
Реле постоянного тока
Твердотельные реле
Термостаты
Универальное реле
Больше Релейное оборудование
→
Рубильники и разъединители
Все - Рубильники и разъединители
Просмотреть
Аксессуары и фурнитура для рубильников и разъединителей
Выключатели
Коммутационные устройства
Переключатели
Разъединители
Светосигнальное оборудование
Трансформаторы и фильтры
Все - Трансформаторы и фильтры
Просмотреть
Трансформаторы
Трансформаторы напряжения
Трансформаторы тока
Автоматические выключатели
Все - Автоматические выключатели
Просмотреть
Автоматы защиты двигателя
Аксессуары для автоматических выключателей
Аксессуары для автоматов защиты двигателя
Аксессуары для дифференциальных автоматов
Аксессуары для модульных автоматов
Аксессуары для силовых автоматов
Дифференциальные автоматы
Модульные автоматы
Силовые автоматы
Дифференциальные автоматические выключатели
Все - Дифференциальные автоматические выключатели
Просмотреть
УЗО
Дополнительное оборудование
Наличие на складе
0
Корзина
Товары в корзине:
Корзина пуста
Корзина
Заказать обратный звонок
Главная
/
Предохранители
/
Быстродействующие предохранители
/
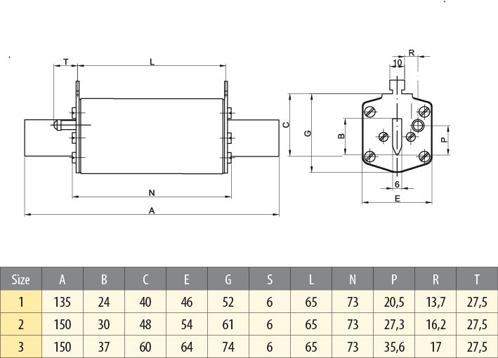
Предохранитель M2UQ2/200A/690V gR (200 kA)
Предохранитель M2UQ2/200A/690V gR (200 kA)
Предохранитель M2UQ2/200A/690V gR (200 kA)
6 289.68
₽
(Включая налог)
В корзину
Артикул:
4724217
6 289.68
₽
(Включая налог)
Доступность:
Предзаказ
Бонусные баллы:
баллов
+
−
В корзину
Купить в один клик
Избранное
Задать вопрос
Доставка
—
Самовывоз
141031, Россия, МО, Мытищинский р-н, Липкинское ш, 2-й км, дом 7, ст 1, БЦ «Вешки Парк», АО «Квенбергер»
—
Доставка по всей России
Товары нашей компании доставляются по территории страны с использованием услуг транспортных компаний по выбору заказчика. Стоимость отправки можно будет уточнить у персонального менеджера.
Подробнее
Варианты оплаты
— Оплата по счету
Подробнее
Наши преимущества
— Большой и постоянно пополняемый ассортимент товаров.
— Доставка по всей территории РФ и стран ТС.
— Все поставляемое оборудование имеет сертификаты соответствия и результаты прошедших испытаний.
— Мы решаем нестандартные задачи и оказываем техническую поддержку.
— Склад в Москве позволяет поддерживать наличие ассортимента.
— Профессиональный подбор любого оборудования.
Войдите в учётную запись, чтобы мы могли сообщить вам об ответе
E-mail
Пароль
Забыли пароль?
Создать учетную запись
Запомнить
Войти
Особенности
Производитель
ETI Elektroelement
Страна
СЛОВЕНИЯ
Найти похожие
Прикрепленные файлы
Инструкция (Инструкция.pdf, 219 Kb) [
Скачать
]
Каталог (Каталог.pdf, 660 Kb) [
Скачать
]
Хиты продаж / Бестселлеры
Авт. выключатель ETIMAT 10 2p C 10А (10 kA)
Артикул:
2133714
Нет в наличии
1 353.48
₽
(Включая налог)
Блок-контакт PS EFI-2M (2NC)
Артикул:
2069002
Нет в наличии
1 035.02
₽
(Включая налог)
Вентилятор компактный осевой (аналог EbmPapst 8414 N/2H), K-DC8025-A24-30
Артикул:
K-DC8025-A24-30
Нет в наличии
1 432.54
₽
(Включая налог)
! Вентилятор центробежный (без функции обратной связи) (аналог EbmPapst K3G097AK3465), K-DC20-24BL
Артикул:
K-DC20-24BL
Нет в наличии
19 376.32
₽
(Включая налог)
Вентилятор компактный (аналог EbmPapst AC 8300 H), K-DC8032H220BL
Артикул:
K-DC8032H220BL
Нет в наличии
2 334.50
₽
(Включая налог)
! Быстродействующий предохранитель Cfriend, GR 25А, 690VAC, DIN000 (Mersen, Siba, Bussmann 170M1561)
Артикул:
CFM9025DT
Доступность:
10 шт.
1 591.71
₽
(Включая налог)
! Центробежный (радиальный) вентилятор K-EC190/230V (аналог EbmPapst K3G190RG1901)
Артикул:
K-EC190/230V
Доступность:
5 шт.
12 797.28
₽
(Включая налог)
Вентилятор осевой (аналог EbmPapst A2E250-AL06-01), K-AC250-A220-25
Артикул:
K-AC250-A220-25
Нет в наличии
18 569.85
₽
(Включая налог)
Вентилятор осевой (аналог EbmPapst S4D500-AM03-01), K-AC500-S400V
Артикул:
K-AC500-S400V
Нет в наличии
21 901.82
₽
(Включая налог)
Осевой вентилятор K-AC17055HBT (аналог EbmPapst W2S130-AA03-21, W2S130AA0301, A17M23SWBM00)
Артикул:
K-AC17055HBT
Нет в наличии
3 862.53
₽
(Включая налог)
Вентилятор осевой (аналог EbmPapst A2D300-AP02-01, S2D300-BP02-30, S2D300-BP02-37), K-AC300-A220-25
Артикул:
K-AC300-A220-25
Нет в наличии
13 476.41
₽
(Включая налог)
Вентилятор компактный осевой (аналог 6318/2HPR), K-DC17251H48BL
Артикул:
K-DC17251H48BL
Нет в наличии
11 799.82
₽
(Включая налог)